







Крепеж для труб одинарный
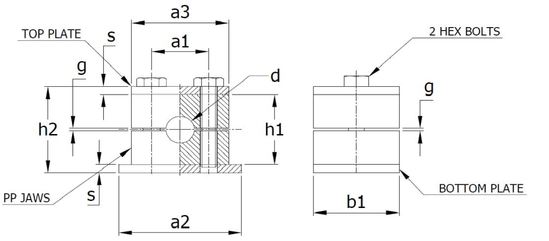
Материал "PP" – Пластик из полипропилена темно–зеленого цвета, одобренный в соответствии со стандартами DIN 3015 во всем мире. Трубные зажимы стандартной серии разработаны в соответствии с DIN 3015 - Часть -1 и имеют только стандартные размеры. Трубные зажимы стандартной серии выпускаются в пластиковых и алюминиевых корпусах со стальными пластинами и болтами Диапазон рабочих давлений до 1500 фунтов на квадратный дюйм (100 бар) для применения в системах трубопроводов из стали/нержавеющей стали Трубные зажимы стандартной серии выпускаются в многослойном исполнении, в виде сварочных пластин, рельсовых гаек, различных конструкций, с резиновыми вставками и многих других исполнениях. Трубные зажимы стандартной серии состоят из верхних пластин, нижних сварных пластин, шестигранных болтов, пластиковых или алюминиевых зажимов. Трубные зажимы стандартной серии доступны в готовом виде диаметром от 6 мм до 88,9 Металлические детали трубных зажимов стандартной серии могут быть изготовлены из углеродистой стали / нержавеющей стали -304 или 316 в соответствии с требованиями заказчика. Трубные зажимы стандартной серии выпускаются двухсторонними / четырехсторонними / несколькими типами, устанавливаемыми вертикально или горизонтально в соответствии с требованиями и использованием клиентов.
.png)